logo

JinHang Precision Bearing Co.,Ltd

China bearing manufacture with 16 Years experience.All the bearing quality will be guaranteed!

Sales & Support
Request A Quote - Email
Select Language
English
Russian
Spanish
Arabic
Home
Products
About Us
Factory Tour
Quality Control
Contact Us
Request A Quote
Home ProductsFull complement cylindrical roller bearing

INA/FAG SL182984 bearing parameter,dimension:420x560x82mm

Here thanks for help. We had got the bearing and checked them. After the working,they are working perfect. I will be keep you in mind !

—— Mr Scott

I'm Online Chat Now

INA/FAG SL182984 bearing parameter,dimension:420x560x82mm

China INA/FAG SL182984 bearing parameter,dimension:420x560x82mm supplier
INA/FAG SL182984 bearing parameter,dimension:420x560x82mm supplier INA/FAG SL182984 bearing parameter,dimension:420x560x82mm supplier

Large Image :  INA/FAG SL182984 bearing parameter,dimension:420x560x82mm

Product Details:

Place of Origin: China
Brand Name: JHB or OEM
Certification: ISO9001:2008
Model Number: SL182984
Detailed Product Description
Precision Rating: P5 P6 P0 Seals Type: Opened
Number Of Row: Single Row

Cylindrical roller bearings SL182984   semi-locating bearing, full complement cylindrical roller set,

  the dimension: 420x560x82 mm

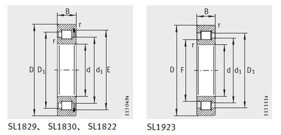
SL182984  bearing dimension details and rough drawing:

INA/FAG SL182984 bearing parameter,dimension:420x560x82mm

description

Full complete single row cylindrical roller bearing

Bearing type

INA/FAG  Code SL182984

 

 

Basic dimension(mm)

d

420 mm

D

560mm

B

82 mm

r min

4 mm

rl

s

5 mm

E

522.95 mm

F

---

D1

509mm

d1

462 mm

B1

---

B2

B3

Basic load rating

Cr(KN)

1730 KN

Cor(KN)

3600 KN

Limiting speed

nG(rpm)

630 1/min

 

nB(rpm)

335 1/min

Weight

 

56.9   kgs

INA/FAG SL182984 bearing parameter,dimension:420x560x82mm

 

The bearing  SL182984 outer  and inner ring material and hardness:

The Bearing inner ring and outer ring forging material:GCr15SiMn ,GCr15, Chrome steel

The  Inner ring and outer ring hardness: 58-62HRC

The manufacture process including: Lathe process, Heat treatment process, Grinding process, Assembly process and final inspect process and on on.

SL182984  full complete cylindrical roller bearing application:
crane sheaves,Gear box producers,Transmission motor producers, Steel industry, Producers for construction equipment

Forest technology, Synthetic material industry, Machine tool producers, Producers of measuring devices and dividing units

Rotary table manufactures, Maritime industry, Metal forming technology, Crane sheave on the sea, Deck crane

Transmission, Planetary speed reducer, and so on.

  If you want to know   bearing  SL182984  more, Please send us by e-mail  or call us, We will send the more details. Thanks.

JinHang Precision Bearing Co.,LTD   www.chinajhbearing.com

E-mail: lyjh@lyjhbearing.com  or lyjhbearing@gmail.com

MSN:lyjhbearing@hotmail.com

Skype:million556

Contact Details
JinHang Precision Bearing Co.,Ltd

Contact Person: Mrs. Jean Yang

Tel: 86--18037970383

Fax: 86-379-65199160

Send your inquiry directly to us (0 / 3000)